Aujourd'hui on s'attaque une fois de plus à des micros de légende signés Neumann.
1950 - Le M49
Micro mythique, énormément utilisé pour les voix notamment Neil Young, Tom Waits, Aretha Franklin, Norah Jones, Bob Dylan, Simon and Garfunkel, Toto, Barbra Streisand… On l'utilise également sur les cuivres (Miles Davis) pour des pianos et en paire pour des overhead de batteries.












Vous trouverez ici un article de mon blog avec des playlists Spotify pour illustrer et accompagner la lecture de cet article.
Produit de 1950 à 1974, le M49 a été développé autour de la technologie d'Herbert Grosskopft qui permet de sélectionner la directivité du micro à distance en modifiant le voltage : une première ! Il propose 9 directivités : d'omnidirectionnelle à bidirectionnelle en passant par cardioïde avec les positions intermédiaires.
Cette technologie permet pour la première fois d’avoir une sensibilité identique dans toutes les directivités (contrairement au U47 qui avait 5db en plus en cardioïde).
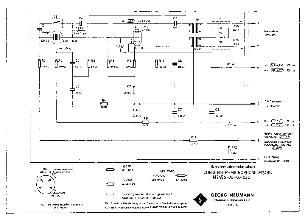
Il est d’abord équipé d’une lampe Hiller MSC2 puis d’une AC701K Telefunken. Il suivra le même chemin que le U47 en étant d’abord équipé d’une capsule M7 remplacée plus tard par une K47.


Le M49 est un micro avec un son « naturel » moins « coloré » que le U47. Cela est dû à la lampe AC701 qui est particulièrement transparente.

B-M49 et histoire du développement
Le M49 est un des plus célèbres micros Neumann, mais il a en réalité le développement a commencé quelques années plus tôt chez NWDR.
La NWDR aka "Northwest German Broadcasting" ou "Radio hamburg" a commencé à émettre le 4 mai 1945 en tant que station du gouvernement militaire britannique. Comme nous l'avons vue pour le U47, la situation en Allemagne à la fin de la guerre est précaire et la NWDR ne pouvait pas acheter ou construire de nouveaux micros. Ainsi, les équipes ont commencé à acquérir une expertise technique en s'occupant des émetteurs HF et LF de la région, en gérant toute la technique de diffusion et d'enregistrement de la région et en modifiant et modernisant les CMV3 d'avant-guerre. Des partenariats furent passés avec des compagnies locales : Hillel à pour les lampes, Malotki pour les transmissions, etc. Face à la quantité de travail, l'équipe alla jusqu'à atteindre les 270 personnes. C'est ainsi que en 1946-1947, le développement d'un nouveau microphone fut lancé par le Dr. Großkopf. De ce développement n'acquit le prototype B-M49 équipé d'une lampe hambourgeoise Hillel MSC2. Il est possible que la société Maihak (qui fabriquait des alimentations pour micros) soit également intervenue. Par la suite, et pour une raison qui j'ignore encore pour le moment, la NWDR ne produit que des prototypes et Neumann récupéra le projet, l'améliora, et ainsi naquit le M49 telle qu'on le connait aujourd'hui... Si vous avez des informations sur le sujet, contactez-moi !
Petite anecdote : apparemment Neumann Geffell essaya également de produire sa propre version du M49. En vain.


Un micro rempli d'innovations
Les directivités
Le principe de matriçage est à la base identique à celui du U47 : il s’agit de 2 membranes cardioïdes dos à dos avec une électrode fixe centrale. Cela crée un double condensateur. Chaque membrane reçoit une tension de polarisation séparée via une électrode fixée en leur centre. Le voltage de la membrane change la directivité, on appelle cela du matriçage par résistance.
Par exemple, si les deux membranes sont en phase, une directivité omnidirectionnelle est obtenue.
Si la phase arrière est hors phase, c’est une directivité bidirectionnelle.
Pour avoir une directivité cardioïde, seule la membrane de face est alimentée.
Dans un M49, la membrane de face est polarisée avec un voltage constant à 58 Volts. Le voltage de la capsule arrière est ajustable de 0 à 116 Volts. La directivité est donc variable de cardioïde à omnidirectionnelle en conservant une sensibilité constante.
Quand la face arrière est polarisée 0 volt, le micro est cardioïde. À 58 volts, le micro est omnidirectionnel et à 116 volts il est bidirectionnel.



Schéma de matriçage par Patrick Thevenot
Une nouvelle grille

Les équipes Neumann ont également fait des recherches pour minimiser les effets de résonance de la grille.
Pour diminuer les ondes stationnaires et les résonances dans le micro, la grille est inclinée à un angle d'environ 10 degrés (contrairement au U47 où elle est parallèle à la capsule).
Une capsule en suspension

La capsule est montée sur un support en caoutchouc, lui-même fixé sur un capot en plexiglas qui recouvre l’électronique.
Ainsi le M49 est peu sensible aux infra basses par transmission solidienne.
Néanmoins, après 70 ans le caoutchouc vieillit mal : soit il durcit et perd son isolation, soit il devient mou et n’est plus capable de supporter la capsule.

Les évolutions du M49 :
En 1954, la lampe MSC2 est remplacée par l’AC701K Telefunken.


En 1956, la capsule M7 est remplacée par la K47 (voir l’article sur le U47). Étrangement le débat M7/K47 qui enflamme le U47 n'a pas atteint le M49.


À partir de 1957, tous les M49 ont un interrupteur à l’intérieur du micro qui déconnecte le diaphragme arrière et permet de régler le microphone sur la position "cardioïde uniquement". Cela donne au microphone un meilleur rapport signal/bruit de 4 dB.
En 1958, le M49 devient M49b. Un nouveau transformateur BV11 est intégré ainsi que quelques changements de valeur électrique avec une impédance de sortie réglable entre 50 et 200 ohms. Pour obtenir une distorsion plus faible, la consommation de courant du tube a été augmentée de 0,45 à 0,73 mA. À partir du numéro de série 1600 les lampe AC701 sont remplacés par les AC701K, plus silencieuse.
En 1961, sort le M249, un M49 destiné à la radio allemande et équipé d’une petite prise Tuchel à 7 pins à filetage au lieu du système de baïonnette et prise Gross Tuchel. Il sera produit jusqu'en 1972. Il n’y a aucune différence technique avec le M49b si ce n’est la connectique (Flea qui propose des copies de M49 et de M249, rappel que la seule chose qui change est la prise). D'octobre à novembre 1961 le schéma est celui du M49, À partir de novembre, il utilise le schéma du M49b et devient M249b.

En 1963 (1964?), sort le M49c encore plus silencieux. ( Changement du Bias de "fixed bias" a "self-bias") le M249b devient M249c.
La plupart des M49 que j’ai vus en vente sont modifiés en version B ou C, et sont équipés d’une AC701.
Les micros sont facilement identifiables en les ouvrant car le nombre de composants est croissant avec le temps. Sur ces différents schémas, nous pouvons observer de manière significative l’évolution du micro :






Les Accessoires
Les blocs d’alimentation :
Il fournit 4 volts pour la lampe, 58 volts constants pour la membrane avant et entre 0 et 116 volts variables pour la membrane arrière. Ces alimentations sont compatibles avec tous les micros équipés d’une AC701 (les Neumann M269, M367, KM 54, KM 56… Mais aussi les micros Schoeps M221 !)
Il existe différents modèles :
- Les toutes premières versions s’appelaient N48


- Le modèle de base est noté NN48b.
On distingue 2 versions :
Les premiers modèles avec le sélecteur de directivité au centre en haut et la prise électrique horizontale.


Les derniers modèles avec le sélecteur de directivité au centre à gauche et la prise électrique verticale.


- Il existe des modèles « rackable » de type S67 (même système utilisé par les célèbres préamplificateurs Siemens V76, V72 etc) nommés N52a ou N52t selon les époques.



- Il existe des batteries nommées BB9 ou BB50 pour utiliser le micro quand du courant continu n’était pas disponible ou lors de déplacements.







Comme pour le U47, il existe une alimentation stéréo (au nom inconnu) mais qui est probablement destinée aux M50.
Les câbles et suspensions
Le câble standard est nommé C26. Le modèle C28 est celui dont la prise femelle (coté micro) a le système "Swivel" qui permet de fixer directement le micro à un pied (comme pour le U47 et plus tard les U67). Le système de fixation est à "baïonnette".



La suspension est nommée MZ49 et n’est pas à proprement parler une suspension, car elle n'a pas d’élastique. C’est plus une pince à cerclage.







Pour Conclure

Neumann a produit environ 2500 M49 du début de 1950 jusqu'en 1974. Les M49 sont des micros très recherchés que l’on peut trouver entre 10000 et 20000 euros d’occasion. Flea propose de bonnes copies.



2022 - Le M49V !
Aout 2022, Neumann annonce la réédition du M49. Sous l'appellation M49V. V pour variable.
Le M49V est fabriqué intégralement à la main en Allemagne et seul 3 personnes sont capables de fabriquer ce micro. Il nécessite trois jours pour de travail pour fabriquer un exemplaire. Du coup la capacité de fabrication du M49 est limitée à un maximum de 200 unités par an. Pièce rarissime qui ne sera disponible que sur commande spéciale.
Yes Audio
Comme pour les rééditions de des 47fet t U67. Un souci très particulier a été apporté pour être au plus proche de l'original. Mais on retrouve quelques modifications :
- La lampe n'est plus une AC701 mais une lampe développée spécialement pour ce micro.
- La capsule est un K49.
- La connectique est différente. On retrouve la même prise que pour le U67.
- Même schéma que le M49c mais avec une réduction du bruit de fond
- Le nouveau câble se nomme KC5
- La nouvelle suspension se nomme MZ49A, elle est un peu différente de la MZ49 vintage dans son système de fixation et en plus, elle arbore le logo Neumann. Par ailleurs, le micro présente des petits picos de sécurité éméchant le micro de glisser.
- Le bloc d'alimentation se nomme NM V et il s'adapte automatiquement au voltage local.
- Le micro est livré dans une mallette (similaire à celle de la réédition du U67)
- Il existe 2 switch interne qui permettent de : le switch S4 permet de modifier le coupe bas de 30Hz jusqu'à 12Hz (1er ordre). Le switch S2 permet comme pour les versions vintage de bloquer le micro en position cardioïde et de gagner 2 db de sensibilité et 3 db de rapport signal/bruit.
Pour le moment pas d'exemple audio, mais les ingénieurs l'ayant utilisé ne tarisse pas d'éloges pour cette réédition.
Le prix du M49V est fixé à 8495 € TTC









Leur avis
« Pour moi supérieur au U47 qui colore trop le son. Le M49 marche sur tout, tout le temps : le micro idéal ! »
Peter Claes
« One of my favorites. Make everything big and warm without making it dull. »
Hans Martin Buff
« Mon autre grand standard dans les Neumann Vintage. Ce micro est beaucoup plus clair et "harmonique" que le U47. Il favorise des registres plus étendus. Son effet de proximité est très progressif et permet son utilisation à distance (bruit propre très faible pour l'époque) avec très peu de coloration grave et low-mid, par exemple. Lui aussi s'accommode très bien dès la série 10 de Neve, d'un préamp API et d'un bon LA2A ou TLA 100 juste derrière... La chaîne idéale en quelque sorte ! Particularité, temps de chauffe relativement long pour obtenir sa température de fonctionnement idéale. »
Pierre Jacquot
« The M49 is a superb vocal mic, but may be used for many other applications from miking an electric guitar amp to recording French horns ! It can be used in omnidirectional for room miking and in figure-8 for simultaneous recording of two background vocals »
Bruce Sweden
« Barbra Streisand has been using this particular Neumann M49 since we did « The Way We Were ». It matches her voice so well that she will not use anything else. This particular mic is a rental, but she knows the specific serial number, so that better be the right mic sitting up there when she's ready to record. »
Al Schmitt
“This M-49 was a big investment I made when the owner of Sonora Recordings was selling it. It’s the mic I have used for decades for my records and I’m so glad to have it to call my own. I still think it’s the best microphone ever made – for my voice anyway… When I use a different mic I don’t sound like me. Of course I have no idea why it’s great but I do know the wiring or workings inside are very intricate.”
Nancy Sinatra
1969 - U47-b

Comment ça ? Un U47 ici ? Scandale !
En réalité un M49 dans un corps de U47fet est un modèle extrêmement rare :
Deux exemplaires connus : un en “nickel brossé” possédé par Peter Claes et un “noir mat” appartenant à un collectionneur allemand.
Prototype construit sur la demande de la radio nationale SWR (Sudwestrundfunk) qui désirait un micro de type U47 ou M49 mais plus petit pour pouvoir être utilisé plus facilement dans les pianos. Il s’agit d’une capsule K47 avec le système d’amplification d’un M49 dans un corps de U47fet.
On peut supposer que la grille du U47, différente du M49 influence d’une certaine manière sur le son…
Peter Claes a une alim qui n’est pas d’origine et ne lui permet que d’utiliser le micro en cardioïde. Néanmoins une alim adaptée permettrait d’utiliser toutes les directivités du M49 !


Un grand merci Peter Claes pour ces photos et les informations sur le U47b.
1951 - Le M50

Produit de 1951 à 1971, Le M50 est un micro omnidirectionnel à petite membrane utilisant le même boîtier, la même électronique et la même lampe (la MSC2 puis l’AC701) mais pas la même capsule que le M49.
En effet, le M50 est équipé d’une capsule omnidirectionnelle de petite taille KK50 d’abord en PVC imprégné d'or puis d'aluminium puis par une KK53 en nickel (utilisé sur la série KM50) et enfin la KK83 en mylar (utilisé pour la série des KM 80). La capsule est entourée d’une sphère de plastique très particulière qui crée un shelve de +5db vers 2,5 Khz


Ce boost a été pensé pour rendre le micro plus linéaire lors des prises à distance notamment pour les orchestres. Il s’agit donc d’une capsule dite de « champs diffus » (à la différence des capsules de champ direct - atténuation des hautes fréquences- et de champ libre -droit-). Cela rend également le micro plus directionnel en fréquence : la prise est omnidirectionnelle, mais de plus en plus directive dans les aiguës.




Les M49 et M50 sont d’apparence parfaitement identique, le seul moyen de les différencier est le petit bijou : rouge sur le M49 et blanc sur le M50. En regardant de très près à travers la grille, on peut bien sûr observer la taille de la capsule. Le M50 partage tous les accessoires du M49.



Les évolutions du M50 :
Le M50 a connu différents modèles et évolutions :

- Le M50a : en 1952, la capsule est changée par une KK53 en aluminium.
- En 1954, la MSC2 est remplacée par la AC701K.
- En 1963, le M50b : quelques modifications électroniques sont apportées (valeurs de résistance etc)
- En 1965: la capsule est changée par une KK83 en Mylar.
- Le M50c : la “filament topology” du circuit d’amplification est changé, baissant le bruit de fond de 4db.
Comme pour le M49, il existe une version pour le broadcaste allemand avec une prise Tuchel 7 pins nommé M250.


Le M50 était difficile à fabriquer et souffrait d’un fort taux de réjection.
Il existe des versions micro de mesure nommées MM3U et MM5 avec un transfo BV14.



Le M50 Fet
Le studio Decca de Londres a converti de nombreux M50 de leur collection en version à transistor FET pour pouvoir fonctionner avec du 48v et pallier l'éternelle crise des lampes Telefunken. Évidemment, ces micros ne sonnèrent jamais comme les originaux et la plupart furent vendus. On en retrouve parfois sur le marché de l’occasion. Il existe différents schémas, certains très mal assemblés.



Un son unique
A mon humble avis, si le M50 règne toujours en maître sur l'arbre Decca et les prises de "rooms" c'est grâce à cette directivité si particulière : en comparaison le M49 quand il est utilisé omnidirectionnel devient bidirectionnel dans les aiguës et capte donc tout un tas de réflexions. Cela qui peu tendre à réduire la transparence et la précision de la source.
Le M50 capte ce qu'il faut ou il faut.
Il va par exemple cibler et localiser précisément les aiguës des violons mais capter le reste du spectre de l'instrument de manière uniforme : dans l'axe mais également son "son global" dans la pièce.
De plus, le haut du spectre est dans le shelve, il est donc "amplifié" par rapport au bas. Les réflexions de pièce sont donc concentrées dans le "bas" mais captées à un niveau inférieur aux aiguës.
Tout cela tend à un équilibre de la captation : Le M50 capte ce qu'il faut où il faut de manière naturelle.
C'est en réalité le seul micro à ma connaissance qui a une directivité variable en fréquence. Cette directivité si particulière lui permet de jouer sur tous les tableaux.
Dans un arbre Decca il combine ainsi les qualités des différents couples stéréo : précison, largeur et profondeur !
Pour Conclure
Avec moins de 1000 unités fabriquées, le M50 est encore plus rare que le M49. Estimés entre 8000 et 15000 euros, ils sont souvent en sets de 3 ou de 5.
Étant donné son prix et son utilisation il est assez rare dans les studios d'enregistrement :
-Principalement utilisés dans des arbres Decca pour des orchestres, son utilisation est souvent restreinte aux grands studios équipés de plateau conséquent pouvant accueillir des orchestres complets. Par exemple, les studios Abbey Road (référence de la musique de film) en possèdent 17!!!
-Pour un arbre Decca de M50, comptez plus de 40 000 euros avec la coûteuse structure permettant de les installer correctement (environs 1000 dollars chez AEA, Grace Design Ambient ou Sabra Som).

Utilisation :
On trouve donc principalement le M50 sur des arbres Decca mais aussi pour des rooms et parfois pour des voix.
Leur avis :
« A must for big rooms, especially for classical Decca trees. »
Hans Martin Buff
« Une merveille!!! L'essayer c'est l'adopter... un vrai-faux omni qui, grâce à sa sphère de diffraction, devient doucement directif dans l'extrême aigu. Il partage cette caractéristique avec le M150, son successeur et reste mon premier choix absolu pour la matière purement acoustique et les ensembles dans des lieux qui sonnent! C'est avec lui que les arbres Decca sont les plus beaux et les plus larges »
Pierre Jacquot
« This mic got and outstanding omnidirectional pattern. The Neumann M50 is probably the wold’s best orchestral microphone. My matched M149s are excellent, too, but on orchestra in a Decca tree configuration, the M50s are superior. The best way I can describe the sound is « wide open ». If you’re working in a huge soundstage, it can capture that sound and make it sound just like you’re there. »
Bruce Sweden
La lampe AC701K
Comment parler des M49 et M50 sans parler de la "célèbre" AC701?

Les M49 et M50 sont les premiers micros à utiliser l’exceptionnel AC701. Une lampe primordiale dans l’histoire de Neumann et de l'histoire avec un grand H du microphone.
Encore une lampe Telefunken mythique au destin tragique. Elle est le résultat d’une collaboration entre Telefunken et la Rundfunk (la radio allemande). Contrairement aux autres lampes vues ici (VF14 puis bientôt l’EF86), cette lampe a été développée uniquement pour être utilisée dans des micros. Elle a donc des spécificités techniques d'exception qui fait tout le son des micros l’utilisant. Elle se démarque nettement de toutes les autres lampes.
On la retrouve entre autre dans les KM53/54/56/64/66, SM2, M49, M50, M249, M250, M269, M367, SM69 ainsi que dans Schoeps M211, M222, les AKG C12 et les Telefunken ELA M251 (la version 251E pour les USA a une autre lampe). Des micros qui partagent tout ce son “naturel” et “précis”.
C'est une triode de 4 volt et c'est la première lampe « chauffé indirectement » c'est-à-dire que la cathode et le filament sont 2 pièces qui ne se touchent pas et sont isolés l'un de l'autre.
Il existe quelques nuances pour distinguer les différentes versions de AC701 :
- "K" : Parfois Nommé AC701K : ce "K" que l’on retrouve aussi sur d'autres lampes Telefunken correspond à « Klinkel frei » qui signifie « sans distorsion » ou « sans clic ». Il s’agit théoriquement des meilleures lampes et donc destiné aux micros. Attention, certaines lampes ont le K noté directement sur la lampe et certaines sur la boites...
- "U" : les AC701 qui ont au début du numéro de série un U suivie de 2 lettres et parfois 2 chiffres date d'avant 1965 et ont été fabriqués à l'usine Telefunken de Ulm.
- "03" : À partir de 1965 la nomenclature "K" disparait car toutes les lampes sont produites au cahier des charges de la nome "K". Ces lampes plus "récente" ont toutes un numéro de série à 7 chiffres qui finit par les chiffres "03". Le chiffre 3 indique la 3e version/révision de la lampe.
- "Red dot" : Les lampes fabriquées à l'usine de Ulm par Telefunken sont de meilleure qualité sont marquées d’un point rouge. RFT fabriqua également des AC701 (parfois nommé AC761) vendue par Telefunken mais destiné aux micros RFT/Gefell. Beaucoup plus bruyantes. Elles sont marquées d’un point blanc. D'où l'appellation « Red dot » pour les meilleures lampes.

serial : U4013000 donc pre-1965





= post 1965
L’histoire de l'AC701 suit de près celle de la VF14 : face à un grand nombre de rejets, la production s’arrêta.
Une AC701 peut durer plus de 10.000 heures mais si elle est "surchauffée" sa durée de vie peut basculer à 2 semaines ! Il faut vérifier dans l’alimentation que la partie qui est chargée du chauffage du filament, envoie bien 4 volts au micro. S’il envoie 0,2 volt de plus cela peut endommager et détruire la lampe très rapidement. (Merci l’atelier du microphone)
Sur Ebay, elles sont vendues entre 500 et 2000 euros, mais l'achat d’une AC701 vintage est risqué : il est impossible de savoir dans quel état est la lampe! Même une NOS (New Old Stock : lampe neuve jamais utilisée) peut avoir du souffle. K ou par K, point rouge ou point blanc. Il y a de nombreuses arnaques (des lampes trés bizarre ou des lampes "jamais utilisé" avec des traces de soudures sur les apparente par exemple). Il est parfois nécessaire d’en tester des dizaines pour en trouver une présentant les caractéristiques techniques nécessaires pour une utilisation en studio.



Drefahl Audio a développé une AC701-FD, et Phaedrus en propose des réédition entre 200 et 300 euros d'une qualité incroyable. On trouve également des modèles russes de qualité… questionnable.


Micros Neumann en « U » et Micro en « M »
Difficile de trouver des informations juste et précises sur le sujet mais Neumann a décidé que les micros large membrane en « M » désigneraient les micros avec des lampes AC701K (M49, M50, M269, M367 et qui peuvent donc fonctionner sur les mêmes alimentations.
Les micros en « U » désigneraient les micros larges membranes utilisant d’autres types d’amplification (lampe et fet : U47, U47 fet, U67, U87, etc).
(KM correspond aux micros petites membranes de format “crayon” et TLM, les modèles sans transformateurs).
L'arbre Decca
Comment parler du M50 sans parler de l’arbre Decca ?? Hein ! Je vous le demande !

C’est à partir de trois micros Neumann que les ingénieurs des studios Decca ont inventé l’arbre Decca ou « Decca Tree » en 1954. Depuis, cette technique d’enregistrement a fait son chemin et s'est imposée comme la prise de son de référence pour les orchestres et les musiques de film.
Si vous regardez les photos des sessions de musique de film dans le studio 1 d’Abbey Road, il y a toujours au moins un arbre Decca avec des M50 ! Toutes les bandes originales de vos films préférés : Indiana Jones, Star Wars, Harry Potter, RoboCop, Alien, etc ont été enregistrées avec un arbre Decca de M50 (renforcé de micros de proximité).
Particulièrement adapté à l’orchestre, l’arbre Decca produit un angle très large et “3D”. Il permet de conserver une excellente image et séparation des timbres et instruments, lors des différents encodages utilisés par le cinéma (mono, stéréo, LCR, 5.1 etc). Cela peut s’expliquer car le son arrive d'abord au micro central puis se diffuse sur les côtés et garanti que l’image sera claire et focalisée dans le centre. Cela est un vrais plus par rapport au couple stéréo traditionnel dont le centre est « virtuel » et donc moins « puissant » ou « précis ».
Petite histoire de l’arbre Decca
L’arbre Decca trouve son origine en Mars 1954 lors d’une session pour le Mantovani Orchestra au studio Decca de Londres enregistré par les ingénieurs Roy Wallace et Arthur Haddy. C’est alors les débuts discrets de la stéréo en studio et le temps est à l’expérimentation. Il n'y a pas de précédent et tout est à inventer.
Ils rassemblèrent alors des pieds de micros en forme de T et fixèrent trois M49 aux extrémités dans une structure beaucoup plus rapprochée que celle à laquelle nous sommes désormais habitués. Fixé en hauteur derrière le chef d’orchestre, il s’agissait une fois de plus de recréer la perception d’une tête humaine.
Ils trouvèrent que cela ressemblait à un arbre de Noël et le nom est resté.
A cette époque les micros sont encore assez proches et lors des premières années, ils expérimentent avec différents micros Neumann (KM53, KM56 et M50) mais aussi avec des panneaux pour isoler les micros et éviter la diaphonie d’un micro à l’autre. Le M50 étant omnidirectionnel, ils craignaient de perdre la précision dans le centre de l’image. Il découvrirent plus tard que les panneaux n'étaient pas nécessaires et que les micros n'avaient pas besoin d’être aussi rapprochés.

Plus tard, les ingénieurs de Decca Ken Wilkinson et Stan Goodall firent évoluer ces expérimentations vers l’arbre Decca que nous connaissons aujourd’hui soit trois M50 séparés d'environ 2 mètres. Notamment à Vienne en 1958.

Chez Decca à l'époque, il existait entre 7 et 8 formations d’arbres différents avec des combinaisons de micros Neumann variés.
Deux philosophies principales se distinguaient :
- Celle de Roy Wallace qui utilisait l’arbre tout seul et cela reproduisait cette magnifique image en 3D.
- Celle de Kenneth Wilkinson qui ajoutait des appoints sur les extérieurs se concentrant sur les violons sur la gauche et sur les cellos sur la droite.


Les philosophies d’origines finirent par fusionner. Mais jusque dans les années 60, les panneaux entre les micros sont encore parfois utilisés. C’est finalement en 1964 que la configuration standard est adoptée par tous. Avec en plus un micro au centre au-dessus de l’orchestre (on le voit bien sur la photo précédente) et des appoints sur les côtés.


Désormais, pour toutes les grandes sessions d'orchestre, il est habituel de retrouver un grand nombre de micros d’appoints, par pupitre ou même par instrument. Mais l’arbre Decca, lui, est toujours là !

De nombreuses configurations, modifications et évolutions d’arbres Decca existent : hauteurs, distances, nombres de micros... Il y a même un livre très pointu et assez rare qui les référence tous.

On notera ici le Fukada Tree, un arbre de 7 micros cardioïdes inventé par Akira Fukada pour le Broadcaste Japonais.

Ainsi que l’OCT array (Optimized Cardioid Triangle).
Un arbre de 5 micros destiné au surround inventé par Günther Theile



